INT-60

Experience the power

The INT-60 is a true giant among heavy wreckers—the undisputed king of the INT lineup.
Built for the most demanding towing and recovery work, it delivers exceptional strength, stability, and control in every operation.

Engineered with a focus on practicality, reliability, and real-world performance, the INT-60 stands apart from traditional heavy-duty wreckers. This is a machine designed not just to handle tough jobs, but to dominate them.

For operators who demand the best, the INT-60 is on an entirely different level.

Table of Contents

Experience the power

The INT-60 is a true giant among heavy wreckers—the undisputed king of the INT lineup.
Built for the most demanding towing and recovery work, it delivers exceptional strength, stability, and control in every operation.

Engineered with a focus on practicality, reliability, and real-world performance, the INT-60 stands apart from traditional heavy-duty wreckers. This is a machine designed not just to handle tough jobs, but to dominate them.

For operators who demand the best, the INT-60 is on an entirely different level.

Unit weight without chassis: 11,200 kg (24,700 lbs)

Standard Features

  • 4724 mm (186”) Cab to centre of tandem steel body
  • Two 25 ton (55,000 lbs) winch
  • Frame fork holders
  • Frame fork racks
  • Chain racks
  • 4 sets of frame forks
  • Chrome door handle
  • Driver and passenger side manual controls
  • Safety chains

Options

  • Wireless Remote Control
  • 25 ton (55,000 lbs) winches
  • 609 mm (24″), 762 mm (30″), 914 mm (36″), 1219 mm (48″), 1828 mm (72″) tunnel box
  • Custom length tunnel box
  • Extra frame forks
  • Wheel lift receivers for single / double tires
  • Full recovery tool package
  • Custom storage system
  • Aluminum / Composite body
  • European body style
  • Gravel guard undercoating finish
  • Front push bumper
  • XP, X-shape side puller
  • Chrome hand rails
  • A-arm style side winches
  • In cab controls
  • European style low under lift
  • Full size LED light bar
  • LED – working lights, strobe lights, lights inside toolbox
  • Custom painting
  • Installation services and extended warranty
  • Tow operators education & training

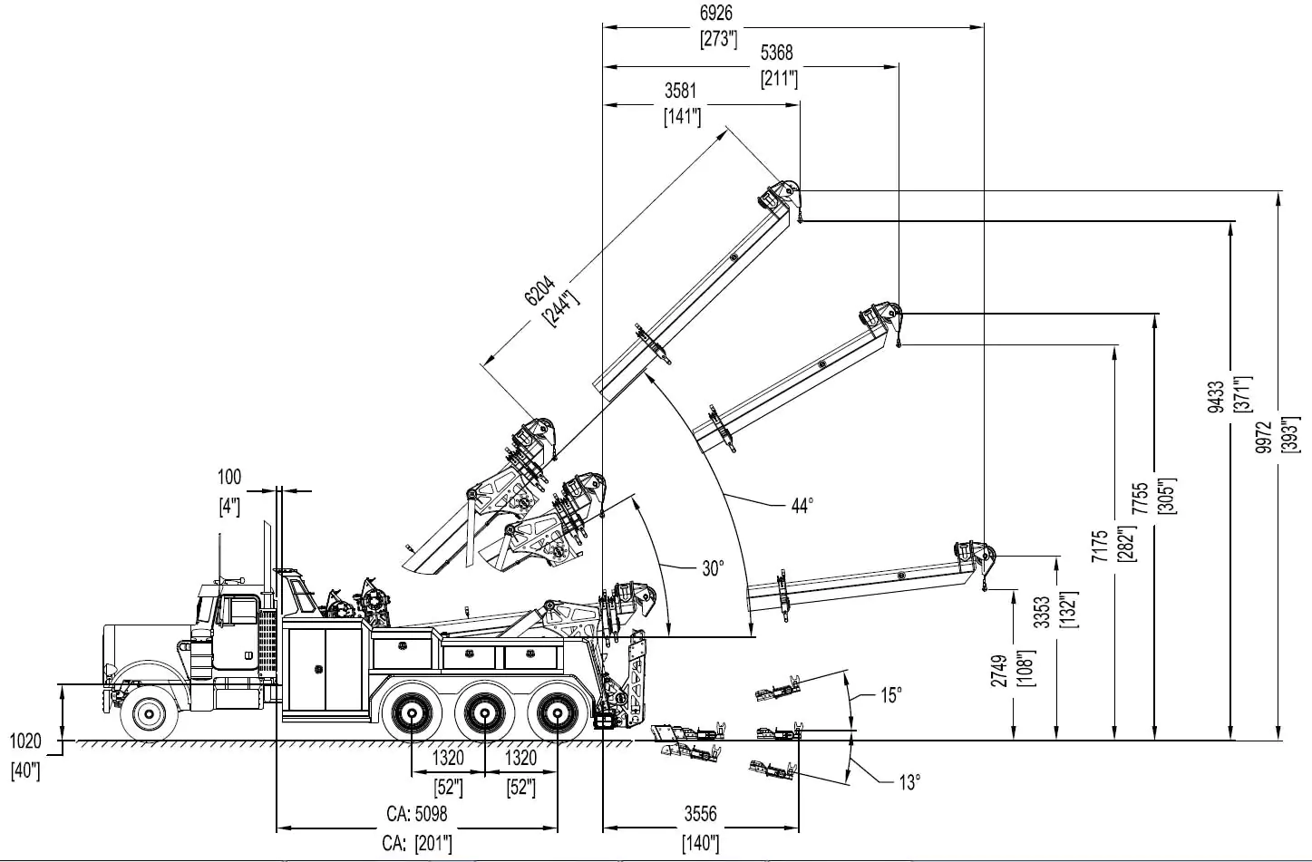
Line Drawing

NOTE: Axle configuration is subject to local laws and regulations. All information in this document is for reference purposes only. Optional configuration might be shown.

Specifications

Boom Rating

  • Retracted Capacity (at max angle), kg (60000)
  • Extended Capacity (at max angle), kg (15000)
  • Max. Lift Angle, deg (40)
  • Max. Hook Height, mm (8915)
  • Reach Past Tailboard, mm (6411)

Wrecker Boom Winch Rating

  • Winch Type (on 1st layer) (Planetary)
  • Quantity (on 1st layer), pc(s) 1(2)
  • Pulling force (on 1st layer), kg (30000)

Wrecker Boom Wire Rope (on 1st layer)

  • Work Load Limit (each line), kg (7600)
  • Construction (6x36 IWR)
  • Diameter, mm (22)
  • Length, m (60)

Underlift Rating

  • Retracted Capacity (on forks), kg (25000)
  • Retracted distance to the forks, mm(1484)
  • Extended Capacity (on forks), kg (8100)
  • Extended distance to the forks, mm (3285)
  • Negative tilt angle, deg (6)
  • Tow Rating, kg (36000)

Euro Low Underlift Rating (Optional)

  • Retracted Capacity (on forks), kg (23000)
  • Retracted distance to the forks, mm (1701)
  • Extended Capacity (on forks), kg (6300)
  • Extended distance to the forks, mm (3657)
  • Negative tilt angle, deg (6)
  • Tow Rating, kg (36000)

Tire Lift Rating

  • Lifting Capacity (each arm), kg (5600)
  • Lifting Capacity (total), kg (11300)
  • Towing Capacity, kg (36000)

5th wheel adapter

  • Lifting Capacity, kg (6800)
  • Towing Capacity, kg (11300)

Pintle Hook Ball Hitch

  • 2" (50mm) Ball Hitch, kg (4500)
  • Pintle Hook, kg (7200)
  • Gross Trailer Weight Max. vertical Load, kg (1300)

Front Side Puller

  • Winch Type (Planetary)
  • Quantity, pc(s) (1)
  • Pulling force, kg (8000 (10000))

Drag Belly Wire Rope

  • Work Load Limit (each line), kg (4600(6200))
  • Construction (6x36 IWR)
  • Diameter, mm (16(19))
  • Length, m (60)

Hydraulic System

  • Operating Pressure, bar (203)
  • Hydraulic Line Burst Pressure, bar (1320)
  • System Flow, LPM (80)
  • System Capacity, L (170)
  • System Capacity, L
  • Reservoir Capacity, L (250)

Type of Oil

  • -17°C to 40°C / 0°F to 104°F (Mobilfluid 424)
  • -40°C to -17°C / -40°F to 0°F (Mobile DTE 10 Excel 32M)

Vehicle Recommendations

  • Front axle(s) weight (min) (1x6600 (2x6600))
  • Rear axle(s) weight (min) (3x10400 (2x10400))
  • Recommended GVW (min), kg (32000)
  • Recommended Tire Size (11R24.5)
  • Clear CA, mm (4724)

Unit Weight, kg (9400)

Some optional equipment may be shown.

All ratings are based on structural and design factors only. Vehicle chassis capacity and capabilities can vary significantly, affecting the overall performance and rating of the unit. All chassis specifications are minimums, heavier specifications may be required depending on chassis and equipment weights. Please contact your nearest distributor for additional information.

Metro Tow Trucks Co. reserves the right to change, improve or modify products, which may change the specifications, models and feature availability at any time without notice and without obligation. Please contact your nearest distributor for additional information.

© Metro Tow Trucks. All rights reserved. This material may not be reproduced, displayed, modified or distributed without the express prior written permission of the copyright holder. For permission, contact Sales@MetroTowTrucks.com

Product Inquery